Rotary vane vacuum pump is suitable for suction of general gas, when the use of gas town, also can contain a small amount of condensable gas (such as water vapor). An additional device shall be attached to the gas when the oxygen is too high, the explosive, corrosive to black metal, and chemical reaction to the vacuum oil. This type of pump can be used alone, can also be used as diffusion pump, roots pump, molecular pump and other high vacuum pump before the pump. The pump is widely used in vacuum coating, vacuum heat treatment, electronics, semiconductor, lighting, food packaging, refrigeration and other industries.
Characteristic:
High efficiency, high vacuum and long service life.
Strong ability to remove water vapor.
Small vibration, low noise.
Elegant appearance.
The pump body adopts new material and new technology.
Built in automatic oil return check valve.
Convenient, multi file pneumatic valve control.
The utility model has the advantages of simple structure, convenient use and easy maintenance.

| 型號 | 2XZ-2B | 2XZ-4B | 2XZ-6B | 2XZ-8B | 2XZ-15B | 2XZ-25B |
| 抽氣速率(L/S) | 2 | 4 | 6 | 8 | 15 | 25 |
| 極限壓迫(Pa)氣鎮(zhèn)關(guān) | 6x10-2 | 6x10-2 | 6x10-2 | 6x10-2 | 6x10-2 | 6x10-2 |
| 轉(zhuǎn)速(r/min) | 1400 | 1400 | 1400 | 1400 | 1400 | 1400 |
| 電動機功率(KW) | 0.37 | 0.55 | 0.75 | 1.1 | 1.5 | 3 |
| 進(jìn)氣口直徑(mm) | 25 | 25 | 25 | 40 | 40 | 50 |
| 最高工作油溫(℃) | 80 | 80 | 85 | 85 | 85 | 85 |
| 重量(Kg) | 23 | 30 | 40 | 70 | 80 | 94 |
| 噪音(dB) | 60 | 60 | 70 | 70 | 70 | 73 |
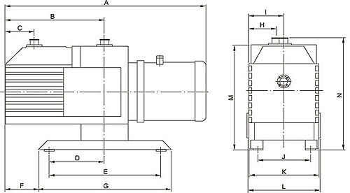
| 型號 | A | B | C | D | E | F | G | H | I | J | K | L | M | N |
| 2XZ-4B | 521 | 245 | 90 | 90 | 307 | 75 | 350 | 60 | 95 | 142 | 190 | 196 | 292 | 332 |
| 2XZ-6B | 542 | 275 | 93 | 93 | 307 | 105 | 350 | 60 | 95 | 142 | 190 | 196 | 292 | 332 |
| 2XZ-8B | 646 | 310 | 98 | 98 | 400 | 110 | 450 | 80.5 | 115 | 170 | 230 | 236 | 346 | 390 |
| 2XZ-15B | 706 | 372 | 102 | 102 | 400 | 140 | 450 | 80.5 | 115 | 170 | 230 | 236 | 346 | 390 |
| 2XZ-25B | 786 | 385 | 130 | 130 | 400 | 160 | 450 | 90 | 135 | 200 | 260 | 276 | 410 | 470 |
